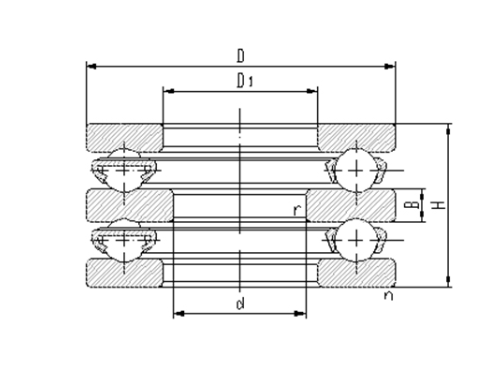
推力球轴承由轴圈、座圈、钢球和保持架组成,与轴相配合的套圈称做轴圈,与外壳相配合的套圈称做座圈,座圈的安装面呈球面的轴承具有调心性能,可以减少安装误差的影响。推力球轴承主要用来承受轴向载荷,可以传递大的轴向载荷,而不能承受径向载荷。此类轴承主要应用于汽车转向机构、机床主轴等。
ZWZ目前生产的单向推力球轴承大致可分为下列几种结构类型:
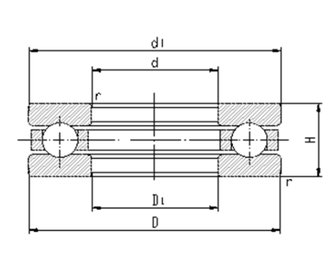
带平面座圈推力球轴承
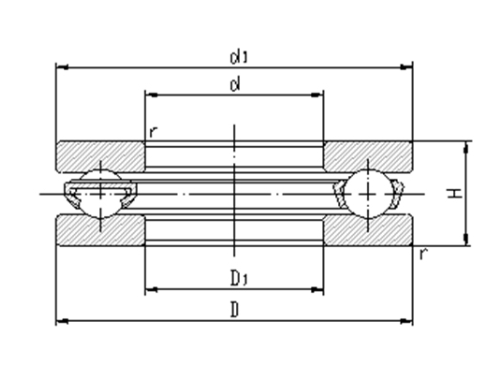
带调心座圈推力球轴承
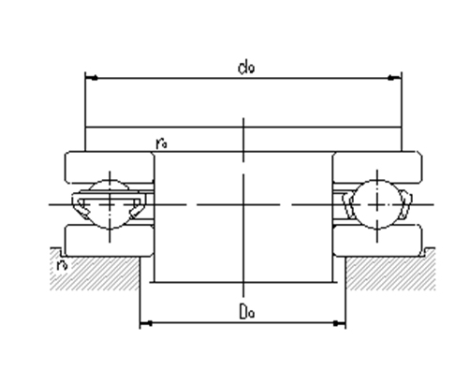
带调心座圈和调心座垫圈推力球轴承 (调心座垫圈,如有需求需单独定制)



ZWZ目前生产的双向推力球轴承大致可分为下列几种结构类型:
带平面座圈推力球轴承
带调心座圈推力球轴承
带调心座圈和调心座垫圈推力球轴承 (调心座垫圈,如有需求需单独定制)


请输入手机号,会有专员与您联系。